Seismic pressure gauge
YN - 100 - b seriesSeismic pressure gaugeCan measure the average of the gas, liquid pressure fluctuations, to overcome the medium intense pulse vibration damage for instrument and environment, to ensure the accuracy of the readings.Pressure gauge rely on internal rushed to fill measures the damping oil and configure the device.Has a good seismic performance.Applicable to the measured pressure has a strong impact or pressure pulse change and often sudden unloading occasion in the production process, and place of environmental vibration is larger.
Second, the working principle:
YN - 100 - b series seismic pressure gauge rely on internal filled with glycerin (or silicone oil), is equipped with buffer screws and other measures.To overcome the environment strong vibration and medium strong pulsation to gauge the damage, to ensure the accuracy of measurement, so, this instrument is suitable for the medium pressure pulse and mechanical vibration, measuring the pressure of various gas and liquid.
Applications:
YN - 100 - b series seismic pressure gauge is suitable for the severe vibration environment, can tolerate the pulsation of the medium, the impact and sudden unloading, clear indication stability.Widely used in machinery, petroleum, chemical industry, metallurgy, mining, electricity and other departments, measurement of copper and copper alloy non-corrosive medium pressure.
Four, installation requirements:
1, instrument using the environment temperature of 40 ~ 70 ℃, relative humidity is not more than 80%, such as deviated from its normal use 20 + 5 ℃ temperature, temperature must be included in the additional error.
2, the instrument must be installed vertically, and strive to maintain the same level with measuring points, such as too high for the difference caused by the liquid column additional error, but don't have to consider when measuring gas.When installation will watch case vent at the back of the jam, lest affect explosion-proof performance.
3, the normal use of the measuring range of instrument: no more than 3/4 of the measurement limit under static pressure, under the wave should not be more than two-thirds of the measurement limit.In the case of the above two kinds of pressure big pressure gauge measuring the lowest lower limit should not be less than a third of all, measuring the vacuum vacuum parts all use.
4, if the instrument when using a pointer failure or loose internal parts, such as not work when a failure should be for maintenance, maintenance or contact the manufacturer.
5, instrument should avoid vibration and impact, so as to avoid damage.
Five, the main features:
1, stable performance, high measurement precision, response speed faster.
2, measuring the total pressure, including gas and steam pressure.
3, the results of the measurement has nothing to do with the gas species, composition and properties.
4, in the process of the pressure, suction and deflated pressure gauge itself is very small, will not affect the measured pressure.
5, no high temperature parts, won't make the oil vapor.
6, if choose corrosion resistant materials, can measure the corrosive gas pressure.
7, firm structure, and sealing and makes the pipes easier to install.
8, easy operation, do not need to adjust, but need to check on a regular basis.
Six, the technical parameters:
model | Structure form | Accuracy % | Measuring range MPa |
YN-50Z | The axial endless | + / - 2.5 | - 0.1 ~ 0;0.1 ~ 0.06;0.1 ~ 0.15;0.1 ~ 0.3;0.1 ~ 0.5;0.1 ~ 0.9;0.1 ~ 1.5;0.1 ~ 2.4;0 ~ 0.1;0 ~ 0.16;0 ~ 0.25;0 ~ 0.4;0 ~ 0.6;0 ~ 1.0;0 ~ 1.6;0 ~ 2.5;0 ~ 4;0 ~ 6;0 ~ 10;0 ~ 16;0 ~ 25;0 ~ 40;0 ~ 60;0 ~ 100; |
YN-60B YN-60T YN-60Z YN-60ZQ | Radial infinite Radial bring back The axial endless Axial belt in front | ||
YN-75B YN-75T YN-75Z YN-75ZQ | Radial infinite Radial bring back The axial endless Axial belt in front | ||
YN-100B YN-100T YN-100Z YN-100ZQ | Radial infinite Radial bring back The axial endless Axial belt in front | + / - 1.6 | |
YN-150B YN-150T YN-150Z YN-150ZQ | Radial infinite Radial bring back The axial endless Axial belt in front | ||
Note: axial can press with square in front of it. |
Use the working temperature: - 5 ℃ ~ 55 ℃;- 25 ℃ ~ 55 ℃
Using work environment vibration frequency is not more than 25 hz, amplitude is not more than 1 mm
Instrument standards: Q / 320211 DGH01-2003
Seven, selection of code:
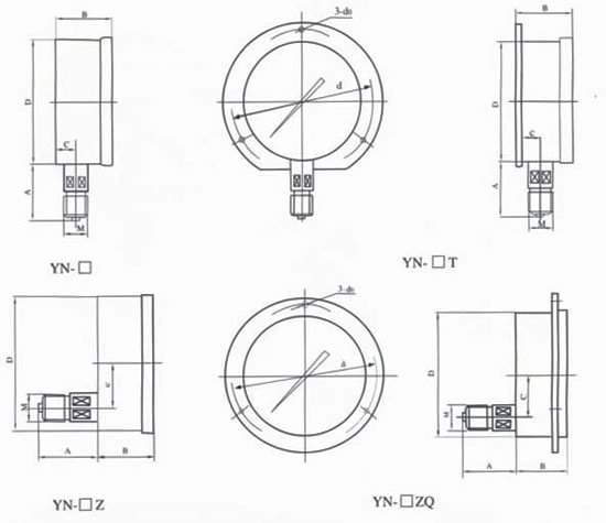
Eight, the dimensions:
model | The dimensions in mm | ||||||
A | B | C | D | d | d0 | M | |
YN-50Z | 29 | 24 | 0 | 50 | / | / | 14X1.5 |
YN-60 | 31 | 32 | 14 | 60 | / | / | |
YN-60T | 31 | 32 | 15 | 75 | 3.4 | ||
YN-60Z | 30 | 32 | 0 | / | / | ||
YN-60ZQ | 30 | 32 | 0 | 75 | 3.4 | ||
YN-75 | 24 | 30 | 12 | 75 | / | / | |
YN-75T | 24 | 30 | 12 | 90 | 5.5 | ||
YN-75Z | 24 | 30 | 0 | / | / | ||
YN-75ZQ | 24 | 30 | 0 | 90 | 5.5 | ||
YN-100 | 44 | 45 | 18 | 100 | / | / | 20X1.5 |
YN-100T | 44 | 46 | 19 | 118 | 5.5 | ||
YN-100Z | 43 | 45 | 34 | / | / | ||
YN-100ZQ | 43 | 45 | 44 | 118 | 5.5 | ||
YN-150 | 50 | 47 | 19 | 149 | / | / | 20X1.5 |
YN-150T | 50 | 48 | 20 | 165 | 5.5 | ||
YN-150Z | 51 | 47 | 55 | / | / | ||
YN-150ZQ | 51 | 47 | 55 | 165 | 5.5 | ||
Note: connection thread can order as required |
Nine, designed to be used with the order information:
1, used by environmental temperature, indicating value of the instrument is not back to zero, usable fine needle on the instrument rubber plug through a small hole, make the instrument lumen and atmosphere are interlinked.
2, work environment should be no corrosive gas.
3, please state the name of order, model and measurement range.
After-sales service commitment:
1, our company sold by pressure gauge series product appeared quality problem within 12 months, responsible for free maintenance.
2, the warranty period, any quality problems such as the products of our company, my company is responsible for free repair or replacement.
3, the warranty period, such as user improper use, damaged products, my company is responsible for the maintenance, charge damage parts cost.
4, after the warranty period appear quality problem, my company is responsible for the maintenance, charge damage parts cost.
5, such as user need to my company site services, to users in the province I company service personnel to reach the site within 12 hours, fujian association of foreign languages and user reach the site within 48 hours.
