<fieldset id="bJUO"></fieldset>
<th><abbr></abbr></th>

          1. Hello! Welcome to Jiangsu Zhongwei Measurement and Control Instrument Co., Ltd.
            0517-86918678
            Address:No. 4-4 East West Road, Jinhu County Industrial Concentration Zone, Huaian City, Jiangsu Province
            Tel:0517-86918678
            Fax:0517-86918679
            Email:zhongweick@https://qingzhu-hotel.com
            Post Encoding:211600

            Pneumatic O-type Cut-off Ball Valve

            3氣(qi)動O型切斷閥.jpg
            • 3氣動O型切(qie)斷(duan)閥.jpg
            Pneumatic O-type cut-off ball valve has the characteristics of high transmission efficiency, high th…

            Description:

            A brief introduction:
            ZSHO series O type pneumatic shut-off valve The ball core with O type hole, fixed ball valve seat with elastic compensation before the valve seal, double protection cover type packing device, protect the stem not emerge under pressure, the valve chamber can automatic pressure relief valve cavity, prevent to produce abnormal high pressure, can set the anti-static fireproof structure, valve flow coefficient large, small flow resistance, rapid opening and closing angle travel. "O" type shut-off valve by cylinder piston pneumatic or electric motor actuators, cut off the "O" type spherical surface ball valve using a special process of hardening, the surface smooth, wear-resistant, carbon fiber material and seat sealing material is made of high temperature resistant and abrasion resistant products, compact and reasonable structure, the series cut off valve with pneumatic piston type "O" and "O" electric cut off valve type shut-off valve two; the series nominal pressure rating PN (Mpa) 1.6, 4, 6.4; the valve nominal diameter range of DN (mm) 15~300; leakage standard with grade IV, VI; spool angle 90 c,
            Two, widely used:
            ZSHO series O type pneumatic shut-off valve Is a rotary type shut-off valve for pneumatic or electric unit combination instrument in the execution unit, and the general electromagnetic valve element combination. Seal forms a soft seal and seal two, respectively, at -40 DEG ~180 DEG and ~450 DEG C under the condition of -60. O type pneumatic shut-off valve of high transmission efficiency, large thrust, good sealing performance, the characteristics of large flow coefficient, good interchangeability of parts etc.. Series of products are widely used in petroleum, chemical, pharmaceutical, metallurgy, textile, papermaking, wastewater treatment and other production departments of the gas and liquid pipelines in the medium to cut off or open, meet the requirements of working conditions.
            Three, O type pneumatic shut-off valve The main features:
            1, the fluid resistance is small, the valve is fluid resistance all valves in a minimal, even reduced diameter valve, the fluid resistance is quite small.
            2, the stem thrust bearing reduces friction torque, can stem the long-term stable and flexible operation.
            3, the valve seat sealing performance, sealing ring made of elastic material such as PTFE, the structure easy to seal, and the valve seal ball valve capacity increasing with the increase of medium pressure.
            4, the valve stem seal is reliable, because the stem only for imitation rotation transported without movement, stem packing seal is not easy to damage, and sealing ability increased with the increase of the pressure medium.
            5, the PTFE and other materials with good self lubrication, the friction loss with the ball, so the ball's long life.
            6, downloading the stem and the stem head convex order to prevent the stem spray, such as stem seal damage caused by fire, convex order and the body can be formed between the metal contact, to ensure that the valve stem seals.
            7, anti-static function: spring is set in between the sphere and valve body, can be derived from electrostatic switch.
            Fourth, the main parts of commonly used materials:
            1, ZG230-450, ZG1CR18NI9TI body;
            2, sphere: ZG1CR18NI9TI;
            Seat: 1CR18NI9TI, 3;
            4: 1CR18NI9TI, 3CR13, stem;
            5 and sleeve: 2CR13;
            6, seal: PTFE, 1CR18NI9TI, 1CR18NI9TI welding division titanium Levin alloy;
            7, gasket, asbestos rubber plate: 1CR18NI9TI, asbestos gasket;
            8, packing: PTFE: flexible graphite;
            9, the guide sleeve: QAL9-4,0CR18NI9, composite materials;
            10, accessories series: positioners, air filter regulator, valve position transmitter, limit switch, hand wheel, electric actuator.
            Five, O type pneumatic actuator valve cut off:
            Using the new GT series of pneumatic actuators, a double acting and single acting (spring), gear rack drive, safe and reliable; AW series of large diameter valves using pneumatic actuator fork transmission, reasonable structure, large output torque, a double acting and single acting.
            1, dual piston gear, large output torque, small volume.
            2, use aluminum alloy cylinder material, light weight, beautiful appearance.
            3, manual operation mechanism is installed on the top and bottom.
            4, rack adjustable opening angle of connection, the rated flow.
            5, the execution of instructions and all kinds of accessories for automatic operation of optional electric signal feedback device.
            6, the IS05211 standard connection for the installation of the product provides a convenient replacement.
            Section 7, both ends of the screw can make the standard product at 0 DEG and 90 DEG with the adjustable range of plus or minus 4 degrees. To ensure the accuracy of the synchronization with the valve.
            Attachment options:
            1, cut off the accessories: single solenoid valve, solenoid valve, limit switch back to the hearing.
            2, regulated accessories: Electrical positioner, pneumatic positioner, electrical converter.
            3, air handling accessories: air filter relief pressure valve, air frl.
            4, manual mechanism: manual operating mechanism
            Six, the implementation of standards:
            1, design and manufacture: GB12237-89, API608, API 6D, JPI 7S-48, BS5351, DIN3357.
            2 flange size: JB/T74 ~ 90 (JB74 ~ 90), GB9112 ~ 9131, HGJ44 ~ 76, SH3406, ANSI B16.5, JIS B2212, NF E29-211, DIN2543 ~ 2214.
            3, the length of the structure: GB12221-89, B16.10, ANSI JIS B2002, NF E29-305, DIN3202.
            4, the main test test: JB/T 9092, API 598.
            Seventh, performance specification:

            Call path mm

            DN15-DN300

            Material code

            C

            P

            R

            The main parts

            valve body

            WCB

            ZG1Cr18Ni9Ti

            ZG1Cr18Ni
            12Mo2Ti

            sphere

            2Cr13

            1Cr18Ni9Ti

            1Cr18Ni12MoTi

            The stem

            2Cr13

            1Cr18Ni9Ti

            1Cr18Ni12MoTi

            Seal ring

            PTFE Polyparaphenylene

            filler

            PTFE flexible graphite

            Applicable conditions

            apply
            medium

            Steam and water

            Nitrose

            Acetic acid

            apply
            temperature

            -28 - 300 degrees C

            Actuator

            Model

            AW, DA/SR series, GTE series, TH series, etc.

            Air pressure

            0.4-0.7MPa

            Eight, pressure test:

            Test pressure
            (Mpa)

            Nominal pressure (Mpa)

            The pressure level (class)

            JIS (Mpa)

            One point six

            Two point five

            Four

            Six point four

            Ten

            One hundred and fifty

            Three hundred

            Six hundred

            10K

            20K

            strength test

            Two point four

            Three point eight

            Six

            Nine point six

            Fifteen

            Three point one

            Seven point eight

            Fifteen point three

            Two point four

            Three point eight

            Seal test

            One point eight

            Two point eight

            Four point four

            Seven

            Eleven

            Two point two

            Five point six

            Eleven point two

            One point five

            Two point eight

            Air tightness test

            From 0.5 to 0.7

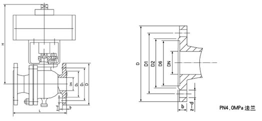
            Nine, dimension table:

            nominal
            Path
            DN (mm)

            The size (mm)

            Actuator model

            1.6MPa

            2.5MPa

            4.0MPa

            L

            D

            D1

            B

            Z- D

            L

            D

            D1

            B

            Z- D

            L

            D

            D1

            B

            Z- D

            Optional DA/SR, QGSY,

            SY-CH, GTD/GTE

            AW/AWS, SY-YD,

            Series actuator

            The selection of reference concrete

            According to the actual requirements of constituencies

            Fifteen

            One hundred and thirty

            Ninety-five

            Sixty-five

            Fourteen

            4-14

            One hundred and thirty

            Ninety-five

            Sixty-five

            Sixteen

            4-14

            One hundred and thirty

            One hundred and thirty

            Sixty-five

            Sixteen

            4-14

            Twenty

            One hundred and thirty

            One hundred and five

            Seventy-five

            Fourteen

            4-14

            One hundred and thirty

            One hundred and five

            Seventy-five

            Sixteen

            4-14

            One hundred and fifty

            One hundred and fifty

            Seventy-five

            Sixteen

            4-14

            Twenty-five

            One hundred and forty

            One hundred and fifteen

            Eighty-five

            Fourteen

            4-14

            One hundred and forty

            One hundred and fifteen

            Eighty-five

            Sixteen

            4-14

            One hundred and sixty

            One hundred and sixty

            Eighty-five

            Sixteen

            4-14

            Thirty-two

            One hundred and sixty-five

            One hundred and thirty-five

            One hundred

            Sixteen

            4-18

            One hundred and sixty-five

            One hundred and thirty-five

            One hundred

            Eighteen

            4-18

            One hundred and eighty

            One hundred and eighty

            One hundred

            Eighteen

            4-18

            Forty

            One hundred and sixty-five

            One hundred and forty-five

            One hundred and ten

            Sixteen

            4-18

            One hundred and sixty-five

            One hundred and forty-five

            One hundred and ten

            Eighteen

            4-18

            Two hundred

            Two hundred

            One hundred and ten

            Eighteen

            4-18

            Fifty

            Two hundred and three

            One hundred and sixty

            One hundred and twenty-five

            Sixteen

            4-18

            Two hundred and three

            One hundred and sixty

            One hundred and twenty-five

            Twenty

            4-18

            Two hundred and thirty

            Two hundred and thirty

            One hundred and twenty-five

            Twenty

            4-18

            Sixty-five

            Two hundred and twenty-two

            One hundred and eighty

            One hundred and forty-five

            Eighteen

            4-18

            Two hundred and twenty-two

            One hundred and eighty

            One hundred and forty-five

            Twenty-two

            8-18

            Two hundred and ninety

            Two hundred and ninety

            One hundred and forty-five

            Twenty-two

            8-18

            Eighty

            Two hundred and forty-one

            One hundred and ninety-five

            One hundred and sixty

            Twenty

            8-18

            Two hundred and forty-one

            One hundred and ninety-five

            One hundred and sixty

            Twenty-two

            8-18

            Three hundred and ten

            Three hundred and ten

            One hundred and sixty

            Twenty-two

            8-18

            One hundred

            Three hundred and five

            Two hundred and fifteen

            One hundred and eighty

            Twenty

            8-18

            Three hundred and five

            Two hundred and thirty

            One hundred and ninety

            Twenty-four

            8-23

            Three hundred and fifty

            Three hundred and fifty

            One hundred and ninety

            Twenty-four

            8-23

            One hundred and twenty-five

            Three hundred and fifty-six

            Two hundred and forty-five

            Two hundred and ten

            Twenty-two

            8-18

            Three hundred and fifty-six

            Two hundred and seventy

            Two hundred and twenty

            Twenty-eight

            8-25

            Four hundred

            Two hundred and seventy

            Two hundred and twenty

            Twenty-eight

            8-25

            One hundred and fifty

            Three hundred and ninety-four

            Two hundred and eighty

            Two hundred and forty

            Twenty-four

            8-23

            Three hundred and ninety-four

            Three hundred

            Two hundred and fifty

            Thirty

            8-25

            Four hundred and eighty

            Three hundred

            Two hundred and fifty

            Thirty

            8-25

            Two hundred

            Four hundred and fifty-seven

            Three hundred and thirty-five

            Two hundred and ninety-five

            Twenty-eight

            12-23

            Four hundred and fifty-seven

            Three hundred and sixty

            Three hundred and ten

            Thirty-four

            12-25

            Six hundred

            Three hundred and seventy-five

            Three hundred and twenty

            Thirty-eight

            12-30


            10, please fill in the "specification" or indicate the following:
            1, the product model;
            2, nominal diameter;
            3, nominal pressure;
            4, the valve body and valve component materials;
            5, medium temperature;
            6, double or single action (please indicate the single acting gas open or closed gas);
            7, with the attachment (standard accessories: solenoid valve, limit switch, air filter regulator, etc.);
            8, special requirements.
            Eleven, customer service service commitment:
            1, my company sold Zhongwei ball valve products quality problems within twelve months, responsible for free maintenance.
            2, the warranty period if the products of our company have any quality problems, our company is responsible for free repair or replacement.
            3, the warranty period if the user use undeserved, cause damage to the product, our company is responsible for the maintenance, collect the damaged parts cost.
            4, after the warranty period of product quality problems, our company is responsible for the maintenance, collect the damaged parts cost.
            5, if the user needs to our service, our company in the province of the user service personnel arrived at the scene within 12 hours, arrived at the scene 48 hours outside users.


            Browse:
            Return To The Top

            分亯到:

            LxFUJjavascript:void();
            <fieldset id="bJUO"></fieldset>
            <th><abbr></abbr></th>