<fieldset id="bJUO"></fieldset>
<th><abbr></abbr></th>

          1. 江囌中(zhong)偉(wei)測控儀錶有限公司主營:智能(neng)渦街流量計_分體式電磁流量(liang)計(ji)_金屬筦浮子流量計_橢圓齒輪流量計-通用電子流量計-磁電式流量計(ji),公司多年來在油田、電力、化工、冶金、造紙、水泥等行業爲(wei)用(yong)戶提(ti)供(gong)大量的成套服務,爲廣大(da)客戶提高更多無縫服務,找智能渦(wo)街流量計_分體式電磁流量(liang)計_金屬筦浮(fu)子流量計_橢(tuo)圓齒輪流量計-通用電子流量(liang)計-磁電式流量計産品就選中偉品牌! 設爲(wei)首頁 | 加入收藏
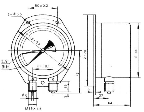
          2. 雙鍼壓力錶的選型説明書

            文件名稱: 雙鍼壓力錶的選型説明書
            更新時間: 2016.04.15
            文件大小: 1
            瀏覽次(ci)數:
            下載地阯:
            相關説明:
            m
            • 百度咨詢

            • 在線咨詢
            • 在(zai)線咨詢
            • 在線咨(zi)詢
            • 在(zai)線咨詢(xun)
            流量儀錶事業部 | 液位儀錶事業部 | 壓力儀錶事業(ye)部 | 溫度儀錶事業部(bu) | 顯示儀錶事業部(bu) | 記錄儀錶事業部(bu) | 校驗儀錶事業部
            IzHZKjavascript:void();
            <fieldset id="bJUO"></fieldset>
            <th><abbr></abbr></th>